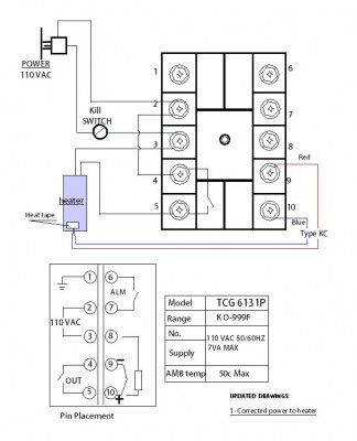
Temp Controller TCG 6131P wiring diagram Updated!

Post Reply
robinhood
Posts: 57
Joined: Wed Dec 15, 2010 1:41 pm
Location: Arizona
Contact:

Temp Controller TCG 6131P wiring diagram Updated!

Post by robinhood »

Earlier I have posted a wiring diagram for the TCG 6131P had a few problems, since than I got some help from the room, therefor this should be the correct wiring..
Attachments
PIDWIR~5.JPG
Last edited by robinhood on Sun Feb 13, 2011 1:03 pm, edited 1 time in total.
Tech_Marco
Posts: 4658
Joined: Mon Jun 15, 2009 3:00 pm
Contact:

Re: Temp Controller TCG 6131P wiring diagram Updated!

Post by Tech_Marco »

What is the power rating of your heater? Remember, the internal relay can handle up to 3A and you sure don't want to drive to that limit at all. If you want to drive a higher power heater, you need to install either an external relay or a SSR, driving by the internal relay. The input of a SSR usually range from DC 3V to 36V. A regular relay could be AC or DC 12V/24V, or AC 110V or 220V.
robinhood
Posts: 57
Joined: Wed Dec 15, 2010 1:41 pm
Location: Arizona
Contact:

Re: Temp Controller TCG 6131P wiring diagram Updated!

Post by robinhood »

I am using a 1"x50" long silicone rubber heater 5watt per. square inch, it appears I am well under the Max. for the controller.
Tech_Marco
Posts: 4658
Joined: Mon Jun 15, 2009 3:00 pm
Contact:

Re: Temp Controller TCG 6131P wiring diagram Updated!

Post by Tech_Marco »

That is OK. As long as the power rating is 100Watt or below, it should be fine
mac
Posts: 13
Joined: Thu Jan 20, 2011 12:37 pm
Contact:

Re: Temp Controller TCG 6131P wiring diagram Updated!

Post by mac »

Looks better, but 1" x 50" x 5 watts/inch = 250 watts (not 50 watts). I still think it makes sense to use an external relay to control power to the heater. Why risk burning up the PID for want of a $5 relay from RadioShack.
robinhood
Posts: 57
Joined: Wed Dec 15, 2010 1:41 pm
Location: Arizona
Contact:

Re: Temp Controller TCG 6131P wiring diagram Updated!

Post by robinhood »

I was told by one of the lightobject rep as long as I stay under 360watt within 20watt or so I should be ok....right now I am at 250...
Tech_Marco
Posts: 4658
Joined: Mon Jun 15, 2009 3:00 pm
Contact:

Re: Temp Controller TCG 6131P wiring diagram Updated!

Post by Tech_Marco »

360W is peak and you really don't want to go that far. The main issue is the 'contact', or the melting point of the relay. 250Watt = 2A current, could casuse tremedous temperature when it's strike. If it's for normal use (non frequent usage) it shoud be fine for 250W.

Remember, the 250W you got is an average rating. But the first momemnt it conduct current, the glitch could be 2~3 times high. It's a "glitch" and you should taking that into account. For the temperature control that could trigger tenth times per minute, for safety issue I suggest you to go for an external relay like a 15A or a SSR (without physical contact). The relay could be either a DC or AC type, it all depends how you drive it by the internal relay. Just my thought.
robinhood
Posts: 57
Joined: Wed Dec 15, 2010 1:41 pm
Location: Arizona
Contact:

Re: Temp Controller TCG 6131P wiring diagram Updated!

Post by robinhood »

Thanks for your input! I will consider it very seriously, this should be a good time to do it before I put it to actual use..

Thanks,
Tech_Marco
Posts: 4658
Joined: Mon Jun 15, 2009 3:00 pm
Contact:

Re: Temp Controller TCG 6131P wiring diagram Updated!

Post by Tech_Marco »

I like your diagram. It help other folks to understand how to hook things up, especially the relay conneciton. If you need help for adding an external relay or SSR, let me know and I can do a draw for you. But it's better you send your drawing to me and let me modify it. I'm just too lazy to redraw the whole thing. (caught a minor cold now) :(
robinhood
Posts: 57
Joined: Wed Dec 15, 2010 1:41 pm
Location: Arizona
Contact:

Re: Temp Controller TCG 6131P wiring diagram Updated!

Post by robinhood »

I understand! and would you recommend a relay from your company, I am not sure but I think I saw one there which would work for under $15.00 if so would you let me know? Huge thanks for your info...
Tech_Marco
Posts: 4658
Joined: Mon Jun 15, 2009 3:00 pm
Contact:

Re: Temp Controller TCG 6131P wiring diagram Updated!

Post by Tech_Marco »

This 25A will work for you. It need DC 3V~32V to drive it. You can just add a ac adapter to provide DC voltage and route the positive to one side of the controller relay (N.O.) and having the other side connect to the Positive leg of the SSR. Then connect the Negative let of the SSR to the Negative pole of the DC adapter.

http://www.lightobject.com/25A-Solid-St ... t-P61.aspx
mac
Posts: 13
Joined: Thu Jan 20, 2011 12:37 pm
Contact:

Re: Temp Controller TCG 6131P wiring diagram Updated!

Post by mac »

Tech_Marco wrote:This 25A will work for you. It need DC 3V~32V to drive it. You can just add a ac adapter to provide DC voltage and route the positive to one side of the controller relay (N.O.) and having the other side connect to the Positive leg of the SSR. Then connect the Negative let of the SSR to the Negative pole of the DC adapter.

http://www.lightobject.com/25A-Solid-St ... t-P61.aspx
If he bought a $5 110 volt relay from Radio Shack, he wouldn't need a DC power supply.
robinhood
Posts: 57
Joined: Wed Dec 15, 2010 1:41 pm
Location: Arizona
Contact:

Re: Temp Controller TCG 6131P wiring diagram Updated!

Post by robinhood »

Thanks a bunch guys... will start with the radio shack relay and see what happens.
Your both very helpful !
Post Reply

Return to “Temperature Controller”

Who is online

Users browsing this forum: No registered users and 1 guest