The attached PDF file is a log of the steps I completed to upgrade my K40 using the X7 DSP from LightObject.
I hope this inspires other to do the same. I had a good time doing it.
Larry
X7 DSP Build log
-
- Posts: 30
- Joined: Sun Oct 12, 2014 9:37 am
- Contact:
X7 DSP Build log
- Attachments
-
- DSP_X7_Build.pdf
- X7 DSP build log
- (806.92 KiB) Downloaded 686 times
-
- Posts: 30
- Joined: Sun Oct 12, 2014 9:37 am
- Contact:
Re: X7 DSP Build log
Here is the plan in CorelDraw 14 format of the front panel.
Larry
Larry
- Attachments
-
- X7DSP Panel.cdr
- X7 Front panel in CorelDraw format
- (12.38 KiB) Downloaded 181 times
-
- Posts: 7
- Joined: Sat Jan 31, 2015 11:35 am
- Contact:
Re: X7 DSP Build log
Very nice build log!
Regarding making XY limit switches to work with existing hall effect sensors, here are several things that you can try.
1) try adding pullup resistors (e.g. 10K ohm) to the sensor output and 5V. Sometimes the logic input circuit requires external pullup so that it will be at high voltage level when open and not floating around.
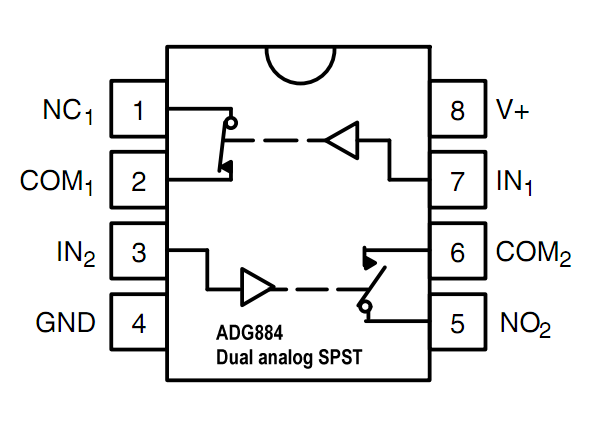
2) if that doesn't work, try interfacing with relay. See attached images. 3) alternatively try using dual analog SPST switches like ADG884 or simillar. Google for analog switch IC 4) and also solid state switch like PlA110 or similar. Google for solid state switch IC
Regarding making XY limit switches to work with existing hall effect sensors, here are several things that you can try.
1) try adding pullup resistors (e.g. 10K ohm) to the sensor output and 5V. Sometimes the logic input circuit requires external pullup so that it will be at high voltage level when open and not floating around.
2) if that doesn't work, try interfacing with relay. See attached images. 3) alternatively try using dual analog SPST switches like ADG884 or simillar. Google for analog switch IC 4) and also solid state switch like PlA110 or similar. Google for solid state switch IC
-
- Posts: 30
- Joined: Sun Oct 12, 2014 9:37 am
- Contact:
Re: X7 DSP Build log
Thanks for the comments. I will try a pull up resistor.
If that fails I think I like the ADG884 option.
Thank You
Larry
If that fails I think I like the ADG884 option.
Thank You
Larry
Who is online
Users browsing this forum: Bing [Bot] and 3 guests