After spending considerable time reading, studying, Googling, etc., I think I have a good understanding of the JLD612 controller. Maybe some of this will be of use to others.
1. When selecting components for your project, remember that you are limited to less than 8 volts and 40ma at the SSR output. That is why you need a Solid State Relay for SSR output. It should have a higher current rating than you will possibly need. Also, remember that the current limits for the contacts at the J1 and J2 outputs is 3A.
2. If you are going to use mechanical relays, you must connect them to J1 and J2. The activation of J2 contacts is controlled by the setting for AH2 if 'outY' is 0 or 2. If 'outY' is set to 1, J2 will provide PID temperature control and you will have only one (J1) alarm output with SSR output disabled. In most instances, you will be better served by using a Solid State Relay on the SSR output and using the AH1 and AH2 outputs for alarms.
3. After the thermocouple and relays have been connected and the power is first applied, EEEE will be displayed, signifying that the parameters have not been set. Perform the 'Initialization Parameters' (0089) setup, except for the 'Temp Sensor Error Correction Coefficient' setting.
4. Next, perform the 'Temperature Setting and Alarm Related Parameters' (0001) setup. 'Target Temperature' controls the SSR output or, if 'outY' is set at 2, the J2 output. AH1 controls only the J1 output activation at either your upper or lower alarm setting. For J1 output to change at your upper limit, AL1 should be a couple of degrees below the AH1 setting. If AL1 is set above the AH1 setting, J1 becomes the lower limit output. AL1 determines when the J1 output is deactivated and it controls the temperature where the LED on the front panel comes on. Same for AH2 and AL2, except it's J2's output. Standardize your use of AH1, AL1, AH2, and AL2 so you don't have to go through this each time. Make AH1/AL1 as your upper limit and AH2/AL2 as your lower limit.
5. Next, perform the 'Auto-tuning', and you won't have to spend a lot of time studying to find out what those setting should be.
6. Using Google, find your altitude above sea level, and, also using Google and an on-line calculator to find the water boiling temperature for your altitude. Place the thermocouple in rapidly, boiling water and allow the PV temperature on the front panel to stablize. The difference of these two temps is the 'Temp Sensor Error Correction Coefficient' setting. Step through the 'Initialization Parameters' (0089) setup to enter that setting.
7. If using a fan or pump on your project, have it run continuously, not controlled by temperature.
Corrections will be appreciated. There are too many people, including me, having problems with this controller..
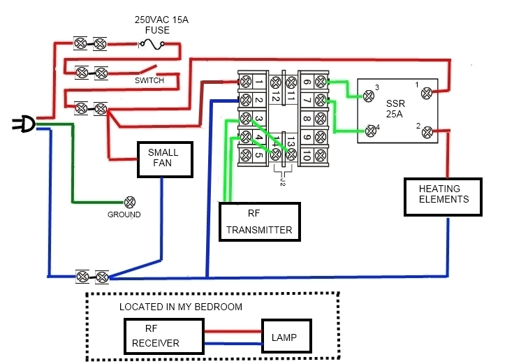
My setup:
See Joe's Wiring Diagram attachment
I needed to be able to smoke beef brisket for 3-4 hours and, then, continue cooking it for 10-12 hours at 200-210 degrees without having to go check on it every couple of hours or to cook it, after smoking, in the kitchen oven. It is almost impossible to sleep when you can smell a smoked brisket cooking in the house.
In my setup, J1 is used for a low temperature alarm. By using the normally closed contacts 3 and 4, a rf signal is sent to the receiver and my bedside lamp comes on if the PV drops below 200F. If the GFI trips or something happens to the extension cord, I will get a signal, also. If power is lost to the whole house, I can just hope for the best until the power is restored and the lamp comes on. I don't feel I really need an overtemp alarm, but I hooked it up (13 and 14) because I could.
I use indirect heat from a double hot plate and a very small fan in the smoke box to circulate the hot air.
Initialization Parameters
IntY ?upside down h? K type thermocouple
outY 2
HY 0.3
PSB 1 I calibrated my thermocouple.
rd 0
CorF 1
Temperature Setting and Alarm Related Parameters
Su (SV) 207
AHI 200
AL1 202
AH2 215
AL2 212
PID and Relevant Parameters
I do the Auto-Tune and leave the others at default.
JLD612 Tips
-
Joe
- Posts: 4
- Joined: Wed Sep 29, 2010 10:53 am
- Location: Abilene, TX, USA
- Contact:
-
Tech_Marco
- Posts: 4656
- Joined: Mon Jun 15, 2009 3:00 pm
- Contact:
Re: JLD612 Tips
Great job and great post!
FYI, I do need to emphasis one thing though. For the AH and AL it's not nencessary to deignated AH as high temperature and AL as low temperature. Instead, AH is 'latched' value while AL is "un-latched" value. It's kind of confusing and it will take a while to get to the point
If AH > AL, it's for upper limit protection.
If AH < AL, it's for lower limit protection.
Say you want to heat something to 800'C (range 750 to 849'C working range). And you don't want the heater go over 850'C or set off an alarm1 (ON) for over-heated protecion. Of the same, you don't want the temperture go below 750'C or set off alam2 (ON) for under-heated protection.
Here is how you set the controller:
SV=800'C
AH1=850'C
AL1=848'C
AH2=750'C
AL2=752'C

FYI, I do need to emphasis one thing though. For the AH and AL it's not nencessary to deignated AH as high temperature and AL as low temperature. Instead, AH is 'latched' value while AL is "un-latched" value. It's kind of confusing and it will take a while to get to the point
If AH > AL, it's for upper limit protection.
If AH < AL, it's for lower limit protection.
Say you want to heat something to 800'C (range 750 to 849'C working range). And you don't want the heater go over 850'C or set off an alarm1 (ON) for over-heated protecion. Of the same, you don't want the temperture go below 750'C or set off alam2 (ON) for under-heated protection.
Here is how you set the controller:
SV=800'C
AH1=850'C
AL1=848'C
AH2=750'C
AL2=752'C
-
Joe
- Posts: 4
- Joined: Wed Sep 29, 2010 10:53 am
- Location: Abilene, TX, USA
- Contact:
Re: JLD612 Tips
Tech_Marco, thanks for the help. I edited my post. It's probably more confusing now, but will you check it out again?
-
Tech_Marco
- Posts: 4656
- Joined: Mon Jun 15, 2009 3:00 pm
- Contact:
Re: JLD612 Tips
Yes, it's kind of confusing. In most heating process, it's not hard to understand it. But for cooling process, it's very confusing. I got to setup a couple case for explaining it better. I'm confused too 
-
tonylange
- Posts: 5
- Joined: Tue Oct 05, 2010 7:10 pm
- Contact:
Re: JLD612 Tips
Right, now that I more or less know whats going on, heres my application
Im making a chocolate tempering machine which has very specific requirements
The profile is from Room Temp to 45C to melt the chocolate
Hold at 45C for 10 minutes
Drop dwn to 27C as efficiciently as possible. (though this might present practical problems with chocolate on the surface crusting ahead of the main batch)
Then to hold the temp at 27C for 3 minutes
Then to raise the Temp to 32C and hold there for 3 hours
So these are my settings:
Heater connect via J1
Fan connected via J2
rd = 1 - I found that it works this way
Modl = M -PV - So that it works off of the SV in Minutes
PrL = 1 - Start Step
PrH = 11 - End Step
Pt = 100
AL1Y = 0
AL2Y = 0
Ramp Soak Settings
T01 = -1011 / SV01= 20 / c01 = 0 - This turns ON the heater relay
t02 = 10 / SV02 = 20 / C02 = 0 - This Sets the SV to 20
t03 = 3 / SV03 = 45 / C03 = 0 - This ramps from 20C to 45C in 3 minutes
t04 = 10 / SV04 = 45 / C04 = 0 - This holds the temp at 45C for 10 minutes
T05 = -1010 / SV05 = 27 / C05 = 0 - This switches OFF the Heater
T06 = - 1021 / SV06 = 27 / C06= 0 - This switches ON the Fan
t07 = 3 / SV07 = 27 / C07 = 0 - This holds at 27 for 3 minutes
T08 = -1020 / SV08 = 27 / C08 = 0 - This switches OFF the Fan
T09 = -1011 / SV09 = 32 / C09 = 0 - This turns ON the Heater
t010 = 180 / SV010 = 32 / C010 = 0 - This HOLDS the temp at 32C for 3 hours
t011 = 0 / SV011 = 32 / C011 = 0 - end point
The reason Ive done all this Heater ON/OFF and Fan ON/OFF is to aid the process
and with Modl = M-PV being set this way I dont really have to worry about the 'time switching' incase they are a little out as it works with reaching the desired SV at each stage.
Any comments on my methodology will be appreciated.
Thanks Tony
Im making a chocolate tempering machine which has very specific requirements
The profile is from Room Temp to 45C to melt the chocolate
Hold at 45C for 10 minutes
Drop dwn to 27C as efficiciently as possible. (though this might present practical problems with chocolate on the surface crusting ahead of the main batch)
Then to hold the temp at 27C for 3 minutes
Then to raise the Temp to 32C and hold there for 3 hours
So these are my settings:
Heater connect via J1
Fan connected via J2
rd = 1 - I found that it works this way
Modl = M -PV - So that it works off of the SV in Minutes
PrL = 1 - Start Step
PrH = 11 - End Step
Pt = 100
AL1Y = 0
AL2Y = 0
Ramp Soak Settings
T01 = -1011 / SV01= 20 / c01 = 0 - This turns ON the heater relay
t02 = 10 / SV02 = 20 / C02 = 0 - This Sets the SV to 20
t03 = 3 / SV03 = 45 / C03 = 0 - This ramps from 20C to 45C in 3 minutes
t04 = 10 / SV04 = 45 / C04 = 0 - This holds the temp at 45C for 10 minutes
T05 = -1010 / SV05 = 27 / C05 = 0 - This switches OFF the Heater
T06 = - 1021 / SV06 = 27 / C06= 0 - This switches ON the Fan
t07 = 3 / SV07 = 27 / C07 = 0 - This holds at 27 for 3 minutes
T08 = -1020 / SV08 = 27 / C08 = 0 - This switches OFF the Fan
T09 = -1011 / SV09 = 32 / C09 = 0 - This turns ON the Heater
t010 = 180 / SV010 = 32 / C010 = 0 - This HOLDS the temp at 32C for 3 hours
t011 = 0 / SV011 = 32 / C011 = 0 - end point
The reason Ive done all this Heater ON/OFF and Fan ON/OFF is to aid the process
and with Modl = M-PV being set this way I dont really have to worry about the 'time switching' incase they are a little out as it works with reaching the desired SV at each stage.
Any comments on my methodology will be appreciated.
Thanks Tony
-
Mike
- Posts: 6
- Joined: Sat Dec 25, 2010 3:01 pm
- Contact:
Re: JLD612 Tips
Many thanks for your post & diagram -- it's been a lot of help!
Minor bug in your diagram... are you missing a blue wire to screw #2 on the JLD612?
--Mike
Minor bug in your diagram... are you missing a blue wire to screw #2 on the JLD612?
--Mike
-
Tech_Marco
- Posts: 4656
- Joined: Mon Jun 15, 2009 3:00 pm
- Contact:
Re: JLD612 Tips
Ha..ha.... Good eyes!!
Should let Joe know about
Note: tonylange's post (above) was talking to JLD634 (ramp and soak) so, his sample setting couldn't apply to the JLD612 just in case you didn't know
Merry Christmas *****

Should let Joe know about
Note: tonylange's post (above) was talking to JLD634 (ramp and soak) so, his sample setting couldn't apply to the JLD612 just in case you didn't know
Merry Christmas *****
-
Joe
- Posts: 4
- Joined: Wed Sep 29, 2010 10:53 am
- Location: Abilene, TX, USA
- Contact:
Re: JLD612 Tips
Mike, you are correct. Thanks for noticing it. I'll get it changed soon.
Who is online
Users browsing this forum: No registered users and 1 guest